Описание
Винтовые блоки ROTORCOMP с масляным впрыском в чугунном корпусе позволяют создать идеальный компрессорный агрегат с максимальной эффективностью, низким уровнем шума и высочайшими стандартами качества. Современные технологии обеспечивают высокую надежность и долгий срок службы.
Данный агрегат применяется в компрессорных установках:
- Remeza (4031000340): ВК40Е, ВК40, ВК60Е, ВК75Е
- Dalgakiran Tidy 40B, Tidy 50
- Comprag (21900001): A37, A45, A55
- Бежецкий АСО (3249949): АСО-ВК37, АСО-ВК37 ESQ, АСО-ВК45, АСО-ВК45 ESQ
- EKOMAK (MKN002343)
- А также компрессоры марок ABAC, FIAC и других
Технологические преимущества блока EVO9 ROTORCOMP:
- Новый ROLLING PROFILE® - максимальная эффективность при уменьшенном шуме.
- Длительный срок службы благодаря увеличенным размерам подшипников и низкому износу винтовой пары.
- Широкий диапазон рабочего давления от 5 до 15 бар.
- Высокое качество изготовления и сборки - «Сделано в Германии».
- Обеспечение качества - стендовый тест каждого блока перед выходом с завода.
- Подходит для всех типов приводных двигателей.
- Варианты привода: ременной привод, прямой привод, внутренний редуктор.
- Крепление основания и фланца.
- Высокий объемный выход.
- Снижение внутренней утечки.
- Термически оптимизированная система впрыска масла.
- Улучшенная эффективность порта всасывания, уменьшающая внутренние потери.
- Низкое энергопотребление.
- Оптимизированные характеристики крутящего момента и уменьшенное внутреннее трение.
- Улучшенное выпускное отверстие с меньшими потерями давления.
- Уменьшенный шум и низкая вибрация.
- Плавное вращение роторов с новым ROLLING PROFILE.
- Оптимизированный выходной порт.
Характеристики
| Вес нетто, кг | 68 |
| Тип | ступень сжатия |
| Страна | Германия |
| Изготовитель | ROTORCOMP VERDICHTER |
| Бренд | ROTORCOMP |
| Рабочее давление, бар | 15 |
| Рекомендуемая мощность двигателя, кВт | 22-55 |
| Максимальная пропускная способность при 7 бар, м3/мин | 8,4 |
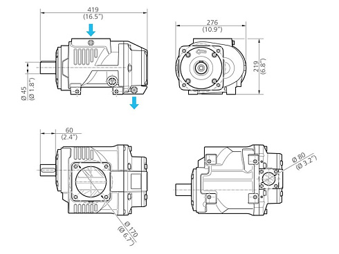
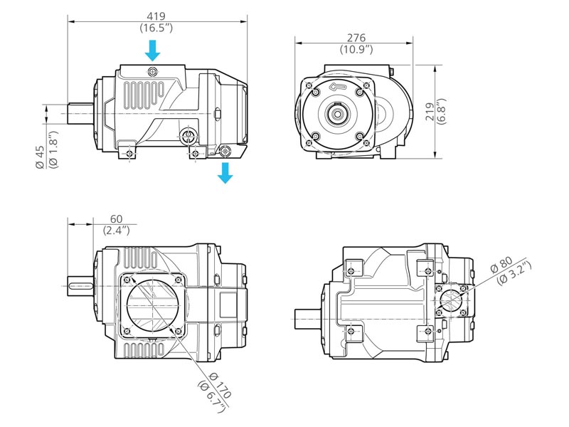
| Габариты, ШхГхВ, мм | 419*276*219 |




